As some of you may know, Simon is working on building a real-life 8-bit computer from scratch, guided by Ben Eater’s tutorials (it’s a huge project that may takes months). He has also been enchanted by the idea to build the computer in a simulator as well, researching all virtual environments possible. The best simulator Simon has tried so far has been Circuitverse.org, although he did stumble upon a stack overflow error once, approximately half-way through (maybe the memory wasn’t big enough for such an elaborate circuit, Simon said). You can view Simon’s projects on Circuitverse here: https://circuitverse.org/users/7241
Link to the project that ended up having a stack overflow: https://circuitverse.org/users/7241/projects/21712
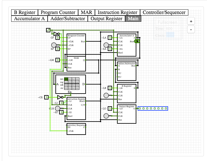
And here is a link to Simon’s new and more successful attempt to put together a SAP-1 (simple as possible) processor (work in progress), something he has been reading about in his new favourite book, the Digital Computer Electronics eBook (third edition): https://circuitverse.org/users/7241/projects/22541




Simon has also tried building an 8-bit computer in Simulator.io, but it was really difficult and time consuming:

The next hopeful candidate was the Virtual Breadboard desktop app for pc. Simon downloaded it about ten times from the Microsoft store but it somehow never arrived, most probably because our Windows version was slightly outdated but who knows.
And finally, Simon has also discovered Fritzing.org, an environment for creating your own pcbs with a real-life look. He may attempt actually making a hardcopy SAP-1 via Fritzing after he’s done with the Ben Eater project. Conclusion: sticking with Circuitverse for the time being.